大袋定量灌裝系統專門用于制藥、食品、化工行業的全自動計量、灌裝、包裝、輸送生產線。該系統可在完全密閉的條件下,實現對散裝物料的無菌計量。封裝。 |
| 產品特點: bull; 先進的散裝物料輸送、計量、灌裝成套技術; bull; 精確的計量系統,計量精度0.1%; bull; 超前的設計、節省能源和空間理念; bull; ? 強有力的技術支持和售后服務體系; bull; ? 可系統集成散裝物料的粉碎、碾磨、篩分、制粒、輸送、計量、灌裝整個工藝流程; bull; 可提供DQ、IQ、OQ、PQ文件; bull; ? 可對操作者進行專業培訓; bull; 提供專業的技術支持與服務。 |
|
應用范圍: bull; ? 從20升到更大的袋子; bull; ? 灌裝量:50~8000kg/h bull; ? 適用于防爆區域,符合ATEX標準; bull; ? 滿足WIP/CIP清洗要求(可選); bull;? N2保護裝置(可選); bull; 設備可安裝在層流室內。 | 可選件: bull; 箱子內袋的開口支撐或卷式封口裝置; bull; 安裝在自動連接件上的內袋支撐裝置; bull; ?內袋灌裝前的沖氣裝置; bull; 內袋封口前的排氣裝置; bull; WIP/CIP清洗裝置; bull; N2保護裝置; bull; 從20~200升的袋子; bull; 內袋口徑:Oslash;300~800 mm。 |
|
 |
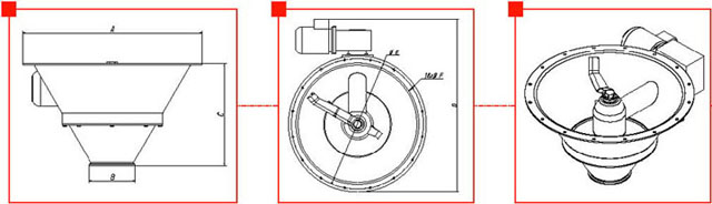
大袋定量灌裝系統的供貨范圍
計量與放料系統料倉與放料漏斗:  |
自動裝袋的灌裝系統: 適用于制藥、食品、化工等制造行業中,無菌環境下的物料灌裝系統。 該系統在灌裝過程中,可真正實現無菌級的灌裝要求。 |  | 灌裝設備: 灌裝頭放置于層流室中,可直接安裝在干燥機、篩分機、整粒機等設備的下方,對有特殊要求的物料,如有毒、有害的物料進行灌裝。 該設備可安裝在防爆區域中。 設備特點: bull;?無菌灌裝,將灌裝部位與周圍環境隔離,實現無塵、無菌; bull;?優秀的保護系統,杜絕物料的污染; bull;?具有高標準的定量灌裝精度; bull;?高效處理有危險、有害物料的計量與灌裝; bull;?高標準的安全性,能有效的保護操作者; bull;?快速、高效的清洗功能,滿足CIP標準; bull;?可快速拆卸。 |  |
|
可選件: bull;? 灌裝前檢查料袋密封性的裝置; bull;? 灌裝前對料袋進行沖氣的裝置; bull; 料袋封口前的排氣裝置; bull;? WIP/CIP的清洗裝置; bull; N2保護裝置; bull; 可安裝在層流室內。 技術特點: 自動裝袋的灌裝設備,主要應用于制藥、食品和化工行業,杜絕操作者與物料的交叉污染,有效保護操作者在工作中的安全。 使用自動裝袋的灌裝設備后,無需潔凈室和防護衣,自動裝袋系統完全隔離物料與周圍環境,通過簡便的灌裝方式,能自動提高在各種環境下產品的質量和生產效率。 |  |
|
附件  料袋封口設備 bull;?封口和夾袋設備; bull;?可手動或自動將塑料袋封口; bull;?可用于防爆區域。 | 控制器 bull;?帶有重量顯示和功能按鍵; bull;?也可按客戶要求定制。 | 封口機 |
|
管式灌裝袋: |
自動灌裝的包裝袋,通過一個圓筒安裝使用,可提供2種不同的包裝方式。 灌裝的包裝袋,也可提供已滅菌的型號。
bull;?容積從20~200升; bull;?料袋口徑從Oslash;300~800mm; bull;?料袋薄膜厚度60~200micro;m; bull;?適用于防爆區域,符合?ATEX標準。 |  |
|